上海建科IPO定價11.47元 建筑工程咨詢服務龍頭申購價值解讀
河南工程造價咨詢企業信用管理升級 開啟綠色通道,賦能行業高質量發展
匠心筑公正,專業促和諧——熱烈祝賀我司入選地方法院鑒定機構名冊并拓展工程造價咨詢業務
北京市工程咨詢協會與工程造價咨詢業務 專業引領與行業規范
數字化浪潮下,工程咨詢公司如何把握造價業務新機遇?
合肥長豐養老院可研報告編制與工程造價咨詢一體化服務解析
2021年工程造價咨詢接活收費標準參考
河北中企華工程造價咨詢山西分公司 專業筑夢,精準計價,助力三晉建設
工程造價咨詢業務 項目成功的隱形支柱
安天利信創業板IPO折戟 主業模式與“三創四新”定位存疑
因為專注,所以卓越 北京旌開咨詢再獲殊榮,深耕工程造價咨詢業務
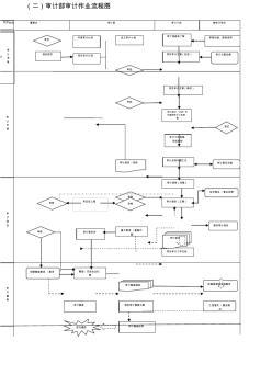
工程造價審計工作流程圖與工程造價咨詢業務詳解
關于轉發河南省建筑工程標準定額站關于做好工程造價咨詢業績備案及統計年報工作的通知的通知
貴州瑞華亞太工程造價司法鑒定所 專業工程造價咨詢與司法鑒定的權威服務
工程造價咨詢公司因虛增6000多萬工程款被罰,30億項目監管敲響警鐘
工程造價咨詢報告書范本與業務全解析
2021年全國工程造價咨詢統計公報解讀 行業穩健發展,業務結構持續優化
BIM技術與工程造價咨詢業務的深度融合與應用實踐
關于調整本市水務基本建設工程和維修養護工程造價中社會保險費及住房公積金費率的通知(滬水務定額[2024]2號)政策解讀與執行要點
全國工程造價咨詢招標采購供應商Top100 行業標桿與業務全景
如若轉載,請注明出處:http://m.37com.cn/product/list-2.html
電話:1888978**
地址:海南省海口市瓊山區鳳翔街道辦新大洲大道備戰路78號一樓商鋪
Copyright © 2026 m.37com.cn 工程造價咨詢業務 海南秋收網絡科技有限責任公司 工程造價咨詢業務 版權所有 Sitemap